高性能恒压输出LED照明驱动ic U6210
LED照明产品高节能、长使用寿命的优点,在路灯、隧道灯、高杆灯等户外照明领域都可以得到非常有利的发挥。其更新替换存量市场和新建项目增量市场的需求都呈不断增长趋势。银联宝科技的LED照明驱动icU6210也被广泛应用于小功率LED照明驱动中,下面为大家详细介绍一下!
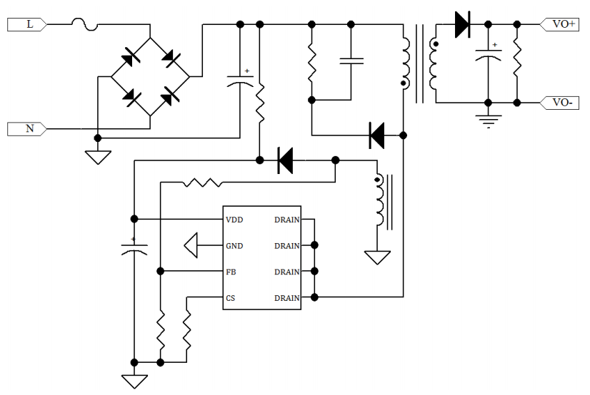
LED照明驱动icU6210在恒压输出模式中,采用多模式工作方式,即调幅控制(AM)和调频控制(FM)相结合,提高了系统的效率和可靠性。在恒流输出模式中,芯片采用调频控制方式,同时集成了线电压和负载电压的恒流补偿。采用U6210可以工作无异音,同时可保证优异的动态性能。利用集成的线损补偿功能,可获得高性能的恒压输出表现。
LED照明驱动icU6210主要特点:
1、集成 650V MOSFET
2、±4% 恒流、恒压精度
3、待机功耗<70mW
4、多模式原边控制方式
5、工作无异音
6、优化的动态响应
7、可调式线损补偿
8、集成线电压和负载电压的恒流补偿
9、集成完善的保护功能:
短路保护 (SLP)
过温保护 (OTP)
逐周期限流保护 (OCP)
前沿消隐 (LEB)
管脚悬空保护
VDD 过欠压保护和箝位保护
10、封装形式 SOP-8
在原边控制技术中,当原边向副边传输能量时,通过采样与副边绕组耦合的辅助绕组电压,得到输出电压反馈信号。LED照明驱动icU6210内部CV电压采样时序以及关键波形。随着副边电流的续流到零,存在着副边续流二极管导通压降VF的降低过程。为了通过辅助绕组获得高精确的输出电压信息,芯片内的恒压采样模块屏蔽了由于漏感导致的关断时刻的电压振荡。当恒压采样过程结束时,内部的采样保持模块记录下反馈误差并通过内部的误差运算放大器将其放大。原边恒压控制模块利用误差运算放大器的输出实现高精度的恒压输出。芯片内部恒压输出基准为高精度的2V。在恒压采样过程中,U6210内部有一可变电流源从FB管脚流出用作线损补偿,由此将在FB波形上产生一电压阶梯。当系统进入到过载模式后,随着输出电压的降低FB电压将降低至内部输出电压基准2V以下,之后芯片也将自动进入到恒流输出模式中。
伴随着LED照明市场的持续快速发展,LED照明驱动ic市场成长空间越来越广阔。关注深圳银联宝科技,关注更多LED照明驱动ic资讯。








电 话:133-1680-5165 Q Q:1957650001
传 真:0755-23086550 邮 箱:001@elanpo.com
地址:广东省深圳市宝安区宝安大道4018号华丰国际商务大厦2501-2508
银联宝手机
招贤纳士