轻松搞定 12W开关电源芯片U6210更出彩
显示器对上班族和游戏党都至关重要,有的品牌是相对贵一点,尽管明面参数上可能看不出多大区别,但做工、用料、品控等肯定会不一样。硬件市场一直是如此。深圳银联宝科技研发的显示器辅助电源开关电源芯片,在价格和参数配置的对比调研中,一直深得市场欢心。12W开关电源芯片U6210,推荐给有需要的客户!
在原边控制技术中,当原边向副边传输能量时,通过采样与副边绕组耦合的辅助绕组电压,得到输出电压反馈信号。12W开关电源芯片U6210内部CV电压采样时序以及关键波形。随着副边电流的续流到零,存在着副边续流二极管导通压降VF的降低过程。为了通过辅助绕组获得高精确的输出电压信息,芯片内的恒压采样模块屏蔽了由于漏感导致的关断时刻的电压振荡。当恒压采样过程结束时,内部的采样保持模块记录下反馈误差并通过内部的误差运算放大器将其放大。原边恒压控制模块利用误差运算放大器的输出实现高精度的恒压输出。芯片内部恒压输出基准为高精度的2V。
12W开关电源芯片U6210主要特点:
▲集成 650V MOSFET
▲±4% 恒流、恒压精度
▲待机功耗<70mW
▲多模式原边控制方式
▲工作无异音
▲优化的动态响应
▲可调式线损补偿
▲集成线电压和负载电压的恒流补偿
▲集成完善的保护功能:
短路保护 (SLP)
过温保护 (OTP)
逐周期限流保护 (OCP)
前沿消隐 (LEB)
管脚悬空保护
VDD 过欠压保护和箝位保护
▲封装形式 SOP-8
为了满足严苛的平均效率和待机功耗要求,12W开关电源芯片U6210采用了调幅控制(AM)和调频控制(FM)结合的多模式控制技术。接近满载输出时,系统工作在调频工作模式中;在轻重载条件下,系统工作在调频工作和调幅工作模式中;当系统接近空载输出时,系统工作在调频模式中以降低待机功耗。利用此种控制技术,系统可以获得低于70mW的待机功耗。
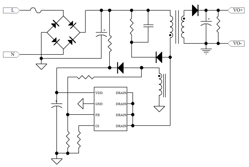
12W开关电源芯片U6210脚位特征:
1 VDD 芯片供电脚。
2 GND 芯片参考地。
3 FB系统反馈管脚。辅助绕组电压经电阻分压后送至FB管脚,用于CV模式输出电压控制及CC模式输出电流控制。
4 CS 电流采样输入脚。
5、6、7、8 DRAIN 内置功率 MOSFET 漏极。
如果你正在开发新的适配器、充电器案子,需要一款高性能、多模式且采用断续模式工作的原边控制器开关电源芯片,那么深圳银联宝科技绝对是你的不二之选!








电 话:133-1680-5165 Q Q:1957650001
传 真:0755-23086550 邮 箱:001@elanpo.com
地址:广东省深圳市宝安区宝安大道4018号华丰国际商务大厦2501-2508
银联宝手机
招贤纳士