充电器电源IC SF6031多种保护为你护航
这几天有部分华为用户反馈,手机只能充电到 80%,然后就充不进电,使用手机管家清理加速时一直显示“正在扫描”的现象。手机电量不够很容易让人抓狂,一个品质上乘的充电器可以让人安心许多。再加上一颗优质的手机充电器电源IC SF6031,更是满满的安全感!
充电器电源IC SF6031主要特点:
R 内置超高压功率BTJ
R 谷底开通、原边控制、系统效率高
R 多模式原边控制方式
R 优异的动态响应
R 集成动态三极管驱动电路
R 工作无异音
R 优化的 EMI 性能
R 恒流、恒压调整率小于 ±5%
R 超低待机功耗 <30mW
R CV 模式可编程输出线压降补偿
R 内置完善的保护功能:
输出短路保护 (FB SLP)
逐周期限流保护(OCP)
前沿消隐 (LEB)
芯片过温保护 (OTP)
VDD 过压、欠压和箝位保护
输出过压保护功能 (FB OVP)
充电器电源IC SF6031除了多种保护功能,还集成有电源系统单点失效保护,在 FB 上拉电阻开路、FB 下拉电阻开路、FB 下拉电阻短路、输出二极管或者 SR 开路、输出二极管或者 SR 短路、变压器绕组短路、RCS 开路等故障条件下均能实现保护。
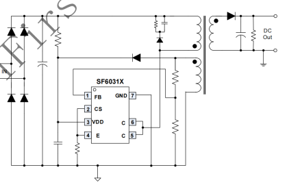
充电器电源IC SF6031除了应用在手机充电器,还适用于AC/DC 电源适配器,典型功率推荐(85-265Vac):5W,SOP-7 封装,脚位如下:








电 话:133-1680-5165 Q Q:1957650001
传 真:0755-23086550 邮 箱:001@elanpo.com
地址:广东省深圳市宝安区宝安大道4018号华丰国际商务大厦2501-2508
银联宝手机
招贤纳士