体现在“省”与“好”的10W电源解决方案
随着国内中小功率AC-DC隔离电源日趋成熟化,电源制造商对功率密度,性能和价格提出了进一步的需求,为此银联宝科技推出了新一款10W电源解决方案,通过高度集成外围零件的方式来降低方案成本和缩减PCB版面积;同时利用多模式的开关控制技术提升整体方案的系统性能指标。
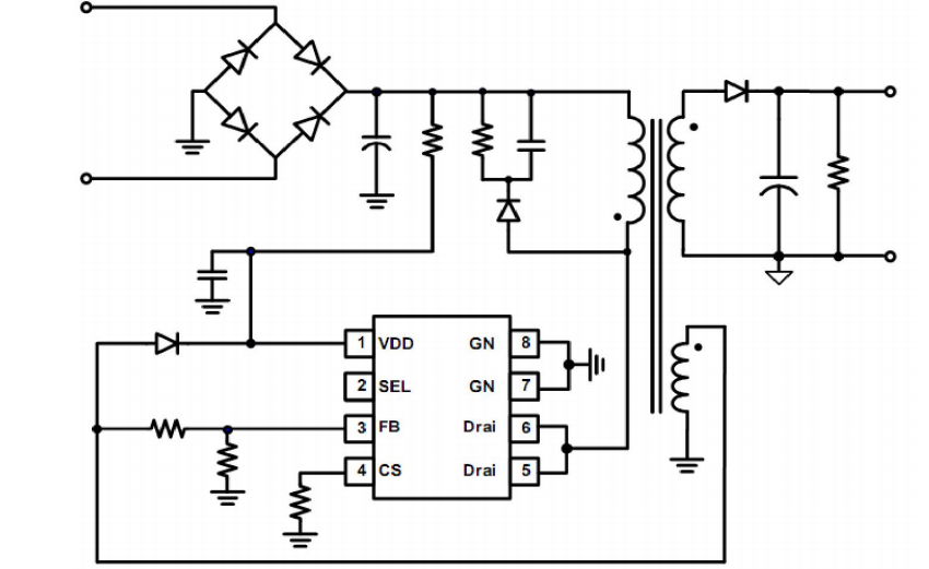
银联宝科技10W电源解决方案以原边控制芯片U6117SA为代表,相对于市面既有的10W原边控制芯片传统方案,其特性主要体现在“省”与“好”。
从“省”的方面来说,典型应用原理图对比如下:
10W电源解决方案U6117SA是一款多模式(MulTI-Mode)控制的高精度原边反馈控制(PSR)恒流恒压(CC/CV)控制器。这款芯片内置功率MOS,大限度地减少了系统元件的数目,用频率调制方法来提高系统效率和减小电磁干扰。内置环路补偿,可以省去额外的补偿或滤波电容,还内置线缆压降补偿,由此取得良好的负载调整率。
10W电源解决方案U6117SA的特点:
1)专利QR控制,提高系统效率,异音。
2)内置频率抖动EMI。
3)内置高低压过流补偿。
4)内置软启动,启动电流,管脚浮空保护。
5)内置专利的线损补偿,提高量产精度。
6)内置反馈脚(FB)短路保护
7)原边反馈,内置MOSFET,采用SOP-8的形式
体现在“省”与“好”的10W电源解决方案不单单只有这一款,更多的相关资料,找银联宝科技。
银联宝科技10W电源解决方案以原边控制芯片U6117SA为代表,相对于市面既有的10W原边控制芯片传统方案,其特性主要体现在“省”与“好”。
从“省”的方面来说,典型应用原理图对比如下:
10W电源解决方案U6117SA是一款多模式(MulTI-Mode)控制的高精度原边反馈控制(PSR)恒流恒压(CC/CV)控制器。这款芯片内置功率MOS,大限度地减少了系统元件的数目,用频率调制方法来提高系统效率和减小电磁干扰。内置环路补偿,可以省去额外的补偿或滤波电容,还内置线缆压降补偿,由此取得良好的负载调整率。
10W电源解决方案U6117SA的特点:
1)专利QR控制,提高系统效率,异音。
2)内置频率抖动EMI。
3)内置高低压过流补偿。
4)内置软启动,启动电流,管脚浮空保护。
5)内置专利的线损补偿,提高量产精度。
6)内置反馈脚(FB)短路保护
7)原边反馈,内置MOSFET,采用SOP-8的形式
体现在“省”与“好”的10W电源解决方案不单单只有这一款,更多的相关资料,找银联宝科技。
下一篇:银联宝科技PD快充协议IC简述
上一篇:银联宝月量出货多的是哪颗电源芯片呢?








电 话:133-1680-5165 Q Q:1957650001
传 真:0755-23086550 邮 箱:001@elanpo.com
地址:广东省深圳市宝安区宝安大道4018号华丰国际商务大厦2501-2508
银联宝手机
招贤纳士