分享:笔记本电脑适配器电源管理IC芯片设计方案
笔记本电脑的适配器电源管理IC芯片新产品研发工作,是目前国内电子工程师们的主要研发方向之一,也是应用新技术速度快的研发领域之一,新产品的更新速度非常快。在今天的干货分享中,我们将会为各位工程师们分享一种新颖的两级式笔记本电脑适配器电源管理IC芯片设计方案,希望通过本文的分享,为大家的研发工作带来一定帮助。
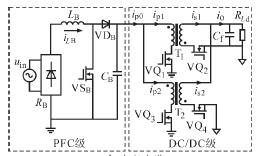
在本文所提出的适配器电源管理IC芯片设计方案中,我们采用的是比较新颖的两级式设计思路,适配器的前级功率因数校正采用Boost变换器,这样的选择能够有效提高低输入电压时的变换效率,其PFC级采用变输出电压的方法,其输出电压跟随输入电压变化。而后级DC-DC变换器则选择采用两路反激变换器交错并联,通过这一方式能够减小其输入和输出电流纹波,同时采用同步整流技术,以进一步提高变换效率。
上图中,分别给出了我们所设计的这一适配器电源管理IC芯片的主功率电路图,以及Boost变换器电感电流临界连续模式下的主要波形图。其中,图1(a)为提出的新型两级式变换器的主功率电路图。从图1(a)中可以看到,该方案中,Boost变换器采用电感电流临界连续模式的控制方式,这种控制方式的优点是二极管零电流关断没有反向恢复的问题,同时具有功率因数高的优势,且原边开关管能够保持零电流开通。
在PFC级的设计中,我们所采用的Boost变换器处于电感电流临界连续模式下工作时,其主要波形如上图中的图1(b)所示。在一个开关周期内,当电感电流iLB为零时,则二极管DB关断,此时开通开关管SB,iLB由零开始线性增加。当它达到整流桥输出母线的电压采样信号时,关断SB,DB开通,iLB由大值线性下降到零。在输入电压的1/2周期内,由多个开关周期组成。在每个开关周期内,iLB的平均值跟随整流桥输出电压,因此iLB的平均值跟踪整流桥输出电压波形,由此实现PFC的功能。
在上图所设计的这一主功率电路图中,当输出功率相同时,输入电压低,相应的输入电流有效值较大。而当低输入电压时,Boost变换器的主要损耗是整流桥的导通损耗和开关管的导通损耗。根据Boost变换器的电压输入输出关系Vo=Vin/(1-D)可知,当输入电压固定时,输出电压越低,占空比越小,因此开关管导通损耗越小。为了提高输入电压低时的效率,我们可以将输出电压降低。因此,针对PFC级输入电压范围宽(90-265Vac)的特点,采用变输出电压的控制方式,在该控制方式下,输入电压与输出电压的关系如下图所示。
在了解了Boost变换器处于变输出电压的控制方式下输入电压与输出电压的关系后,上图中,给出的是在这一适配器电源管理IC芯片设计方案中,Boost变换器输出电压跟随输入电压线性变化的控制电路图。从上图中可以看出,在电压闭环中引入输入电压有效值作为前馈量,采样信号取反后与输出电压的采样信号取和,接到PI调节器的反向输入端。在这一控制电路系统中,PI调节器的输出接到乘法器的输入端,与整流桥输出电压的采样相乘后作为电流环的给定,以此来控制电感电流的幅值。当输入电压变化时,输出电压也随之变化。










电 话:133-1680-5165 Q Q:1957650001
传 真:0755-23086550 邮 箱:001@elanpo.com
地址:广东省深圳市宝安区宝安大道4018号华丰国际商务大厦2501-2508
银联宝手机
招贤纳士