
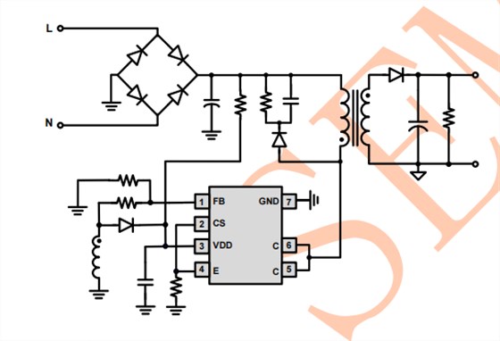
友恩U95143开关电源芯片是一款高性能、低成本的原边控制功率开关,内置高压功率三极管,可提供高精度恒压和恒流输出性能,尤其适合于小功率离线式充电器应用。采用U95143可以工作无异音,同时可保证优异的动态性能。利用集成的线损补偿功能,可获得高性能的恒压输出表现。
友恩U95143开关电源芯片集成有多种保护功能:如VDD欠压保护(UVLO)、VDD过压保护(OVP)、逐周期限流保护(OCP)、短路保护(FBSLP)、输出过压保护(FBOVP)、过热保护(OTP)和VDD箝位等。U95143还集成有电源系统单点失效保护,在FB上拉电阻开路、FB下拉电阻开路、FB下拉电阻短路、输出二极管或者SR开路、输出二极管或者SR短路、变压器绕组短路、RCS开路等故障条件下均能实现保护。
友恩U95143开关电源芯片主要特点:
●内置超高压功率BTJ
●谷底开通、原边控制、系统效率高
●多模式原边控制方式
●优异的动态响应
●集成动态三极管驱动电路
●工作无异音
●优化的EMI性能
●恒流、恒压调整率小于±5%
●超低待机功耗<30mW
●CV模式可编程输出线压降补偿
●内置完善的保护功能:
输出短路保护(FBSLP)
逐周期限流保护(OCP)
前沿消隐(LEB)
芯片过温保护(OTP)
VDD过压、欠压和箝位保护
输出过压保护功能(FBOVP)
●SOP-7封装
友恩U95143开关电源芯片典型输出功率(85—264Vac):
●U95153:12W
●U95143:10W
●U95133:7.5W
●U95123:6W
●U95113:5W
