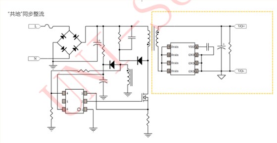
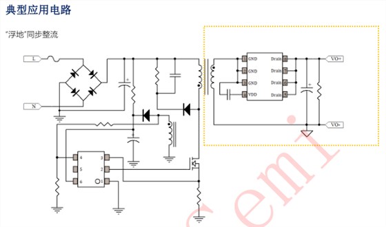
U7711同步整流IC支持“浮地”和“共地”同步整流两种架构,同时支持系统断续工作模式 (DCM)和准谐振工作模式 (QR)。
U7711同步整流IC内置 VDD 高压供电模块,无需 VDD 辅助绕组供电,降低了系统成本。
U7711同步整流IC内部集成有 VDD 欠压保护功能和 VDD电压钳位。
U7711同步整流IC主要特点:
反激拓扑副边同步整流功率开关
支持“浮地”和“共地”同步整流两种拓扑
支持断续工作模式 (DCM) 和准谐振工作模式(QR)
<300uA 超低静态电流
内置 VDD 高压供电模块,无需 VDD 辅助绕组供电
内置 40V 功率 MOSFET
内部集成保护:
VDD 欠压保护 (UVLO)
VDD 电压钳位 (>5mA 钳位电流)
