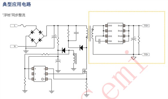
U6513电源ic+U7710同步整流ic方案合理优化和电路设计使得整个电源板非常小,极大的降低了产品的总成本,宽电压范围在85V–265V,可用于典型的反激式电路拓扑结构的简易AC/DC变换器。
●内置三极管耐压好,可以达到800V,OCP保护一致性好
●待机空耗低,体积小
●比市场上其他品牌芯片性价比更高
●芯片性能稳定性高,寿命长
●全电压范围内,恒压调节精度误差±4%,恒流调节精度误差±4%
●原边采样和调节,无需光耦和TL431
●可编程CV和CC调节
●可设定恒流和输出功率
●内置原边反馈恒流控制、内置自适应峰值电流调节、内置原边变压器电感补偿
●可外部调整的输出线压降补偿、开机软启动
●内置BJT开关管、内置前沿消隐电路(LEB)、可逐周期电流限制
●带有回差的欠压锁定(UVLO)、VDD过压保护(OVP)、VDD箝位功能
U7710同步整流ic参数:
●支持“浮地”和“共地”同步整流两种拓扑
●Drain 管脚电压-0.3 to 40V
●VDD 直流供电电压7.4 V
●VDD 直流箝位电流5mA
●封装热阻---结到环境(SOP-8) 165°C/W
●芯片最高工作结温150°C
●储藏温度 -65 to 150 °C
●管脚温度 (焊接 10 秒) 260°C
●内置 VDD 高压供电模块,无需 VDD 辅助绕组供电
●<300uA 超低静态电流
深圳银联宝科技秉承品质为先、服务到位的合作理念,重拳推出U6513电源ic+U7710同步整流ic组合方案,保障成熟可用,保证物美价廉!
